****服务热线:+86-010-82719905
网站公告:
诚信为本:市场在变,诚信永远不变...
联系我们
+86-010-82719905
地址:
北京市后沙峪国门1号4FB06
公司:
北京华京顺通科技有限公司
****:
+86-13436309569
传真:
+86-010-82717017
新闻动态
产品中心 Products
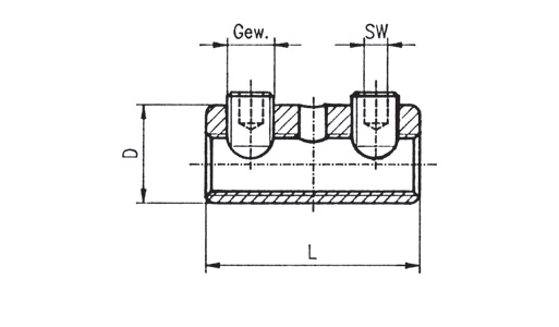
经过抛光处理的螺钉式接续管
添加时间:2015/12/1 21:54:47
经过抛光处理的螺钉式接续管

经过抛光处理的螺钉式接续管,2.5-185mm2

用于连接相同和不同的导线横截面

同样适用于连接不同的导线类型和材料 , 例

如 VDE 0295 1 级和 2 级,以及符合 DIN48201

第 1 部分的铝导线

特性

内部特别的槽形剖面,可以在扭紧时去掉氧化层

有检查孔,用于****电缆进入(不同材料严禁相互接触)

没有剪切头

双螺钉型

材料

绝缘体: 高电阻铝合金

螺钉 : 铜合金 , 镀锡

表面:铜抛光或镀锡

18533.png185表.png