产品分类
联系我们
+86-010-82719905
- 地址:
- 北京市后沙峪国门1号4FB06
- 公司:
- 北京华京顺通科技有限公司
- 手机:
- +86-13436309569
- 传真:
- +86-010-82717017
新闻动态
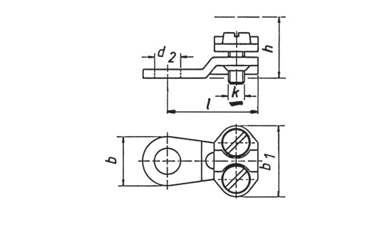
冲压电缆端子
添加时间:2015/12/1 21:23:04

冲压电缆端子 , 铜制 25-300mm2
用于螺栓连接导体到 VDE 0295 1 级和 2 级 ,
比如在照明保护区域
特性:
用于户外组装
配有 2 到 4 个止推板
材料:
Cu-ETP
螺钉 : DIN 84 / DIN 933 铜 , F 60, 2 件
表面:镀锡


上一条:没有了!
下一条:铜制平行双沟线夹



